Voltage Source Inverter

Voltage Source Inverter

In the realm of power electronics, the Voltage Source Inverter (VSI) stands as a cornerstone technology, enabling the conversion of direct current (DC) to alternating current (AC). This process is crucial for a wide range of applications, from renewable energy systems to electric vehicle charging stations. Understanding the principles, types, and applications of VSIs is essential for anyone involved in power electronics and electrical engineering.

Understanding Voltage Source Inverters

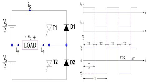
A Voltage Source Inverter is a type of power electronic device that converts DC voltage into AC voltage. The primary function of a VSI is to generate an AC waveform from a DC input, which can then be used to power various electrical loads. The key components of a VSI include:

  • DC power source
  • Switching devices (such as IGBTs or MOSFETs)
  • Control circuitry
  • Filtering components

The switching devices are controlled by the control circuitry to produce the desired AC waveform. The filtering components help to smooth out the waveform and reduce harmonics, ensuring a clean and stable AC output.

Types of Voltage Source Inverters

There are several types of Voltage Source Inverters, each designed for specific applications and performance requirements. The most common types include:

  • Single-Phase VSIs: These are used in applications where a single-phase AC output is required, such as in residential solar systems and small appliances.
  • Three-Phase VSIs: These are used in industrial and commercial applications where a three-phase AC output is necessary, such as in motor drives and large-scale renewable energy systems.
  • Multilevel VSIs: These inverters produce a stepped waveform with multiple voltage levels, reducing harmonics and improving power quality. They are commonly used in high-power applications like wind turbines and electric vehicle chargers.

Applications of Voltage Source Inverters

The versatility of Voltage Source Inverters makes them suitable for a wide range of applications. Some of the most prominent uses include:

  • Renewable Energy Systems: VSIs are essential in solar and wind power systems, converting the DC output of solar panels or wind turbines into AC power that can be fed into the grid or used locally.
  • Electric Vehicle Charging: VSIs are used in charging stations to convert DC power from the grid into the AC power required by electric vehicles.
  • Motor Drives: In industrial settings, VSIs are used to control the speed and torque of electric motors, improving efficiency and performance.
  • Uninterruptible Power Supplies (UPS): VSIs are a key component in UPS systems, providing backup power during outages by converting DC battery power into AC power.

Design Considerations for Voltage Source Inverters

Designing a Voltage Source Inverter involves several critical considerations to ensure optimal performance and reliability. Key design factors include:

  • Switching Frequency: The frequency at which the switching devices operate affects the efficiency and harmonic content of the output waveform. Higher switching frequencies generally result in lower harmonics but can increase switching losses.
  • Filtering Components: Proper selection of filtering components, such as inductors and capacitors, is crucial for reducing harmonics and improving power quality.
  • Control Algorithms: The control circuitry must be designed to handle various operating conditions and ensure stable and efficient operation. Common control algorithms include Pulse Width Modulation (PWM) and Space Vector Modulation (SVM).
  • Thermal Management: Effective thermal management is essential to prevent overheating and ensure the longevity of the switching devices. This includes the use of heat sinks, fans, and other cooling mechanisms.

Additionally, the design must consider the specific requirements of the application, such as power rating, voltage levels, and environmental conditions.

Control Techniques for Voltage Source Inverters

The control of a Voltage Source Inverter is crucial for achieving the desired output waveform and performance. Various control techniques are employed, each with its own advantages and limitations. Some of the most commonly used control techniques include:

  • Pulse Width Modulation (PWM): PWM is a widely used technique where the width of the pulses is varied to control the output voltage. It is simple to implement and provides good control over the output waveform.
  • Space Vector Modulation (SVM): SVM is a more advanced technique that uses vector mathematics to control the output voltage. It offers better harmonic performance and efficiency compared to PWM.
  • Hysteresis Control: This technique involves comparing the actual output voltage with a reference voltage and adjusting the switching devices to minimize the error. It is simple to implement but can result in variable switching frequencies.

Each control technique has its own set of trade-offs, and the choice of technique depends on the specific requirements of the application.

Challenges and Solutions in Voltage Source Inverters

Despite their widespread use, Voltage Source Inverters face several challenges that must be addressed to ensure reliable and efficient operation. Some of the key challenges and their solutions include:

  • Harmonic Distortion: Harmonics can cause power quality issues and interfere with other electrical equipment. Solutions include using advanced control techniques and filtering components to reduce harmonics.
  • Switching Losses: High switching frequencies can lead to significant power losses in the switching devices. Solutions include using efficient switching devices and optimizing the control algorithms to minimize losses.
  • Thermal Management: Effective thermal management is crucial to prevent overheating and ensure the longevity of the switching devices. Solutions include using heat sinks, fans, and other cooling mechanisms.
  • Reliability: Ensuring the reliability of VSIs is essential for critical applications. Solutions include using high-quality components, implementing redundancy, and performing regular maintenance.

Addressing these challenges requires a comprehensive approach that considers all aspects of the VSI design and operation.

🔧 Note: Regular maintenance and monitoring are essential to ensure the long-term reliability and performance of Voltage Source Inverters.

The field of power electronics is continually evolving, and Voltage Source Inverters are no exception. Several emerging trends are shaping the future of VSIs, including:

  • Wide Bandgap Semiconductors: Materials like silicon carbide (SiC) and gallium nitride (GaN) offer superior performance compared to traditional silicon-based devices. They enable higher switching frequencies, lower losses, and improved thermal management.
  • Advanced Control Algorithms: New control techniques, such as model predictive control (MPC) and adaptive control, are being developed to improve the performance and efficiency of VSIs.
  • Integration with Renewable Energy Systems: As the demand for renewable energy grows, VSIs are being integrated into larger systems to optimize power generation and distribution. This includes the use of energy storage systems and smart grid technologies.
  • Miniaturization and Modular Design: Advances in component technology and design are enabling the development of smaller, more modular VSIs. This makes them more versatile and easier to integrate into various applications.

These trends are driving innovation in the field of power electronics and paving the way for more efficient and reliable Voltage Source Inverters.

In conclusion, Voltage Source Inverters play a pivotal role in modern power electronics, enabling the conversion of DC to AC power for a wide range of applications. Understanding the principles, types, and applications of VSIs is essential for anyone involved in power electronics and electrical engineering. By addressing the challenges and embracing emerging trends, the future of VSIs looks promising, with continued advancements in performance, efficiency, and reliability.

Related Terms:

  • voltage source inverter circuit diagram
  • voltage source inverter diagram
  • 5 level voltage source inverter
  • current source inverter
  • vsi vs csi
  • current source inverter characteristics