M3 Bolt Dimensions

M3 Bolt Dimensions

When it comes to fastening solutions, understanding the specifications of various bolts is crucial for ensuring the right fit and functionality. One such bolt that often comes up in discussions is the M3 bolt. The M3 bolt dimensions are particularly important for applications requiring precise and reliable fastening. This blog post will delve into the specifics of M3 bolt dimensions, their applications, and how to choose the right bolt for your needs.

Understanding M3 Bolt Dimensions

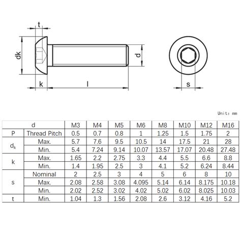
The term "M3" refers to the metric designation for bolts, where "M" stands for metric and "3" indicates the nominal diameter of the bolt in millimeters. The M3 bolt dimensions include several key measurements:

  • Nominal Diameter: 3 mm
  • Thread Pitch: 0.5 mm
  • Head Diameter: Varies by head type
  • Length: Varies by application

These dimensions are standardized to ensure compatibility and reliability across different applications. The nominal diameter of 3 mm is the most critical measurement, as it determines the size of the hole required for the bolt and the corresponding nut.

Types of M3 Bolts

M3 bolts come in various types, each designed for specific applications. The most common types include:

  • Hex Head Bolts: These bolts have a hexagonal head and are commonly used in applications where a wrench or socket is required for tightening.
  • Pan Head Bolts: These bolts have a flat, circular head with a slightly rounded top. They are often used in applications where a low-profile head is required.
  • Countersunk Head Bolts: These bolts have a conical head that sits flush with the surface when tightened. They are ideal for applications where a smooth surface finish is necessary.
  • Socket Head Cap Screws: These bolts have a cylindrical head with a hexagonal socket for tightening. They are commonly used in applications where a low-profile head and high torque are required.

Each type of M3 bolt has its own set of M3 bolt dimensions, including head diameter and length, which are tailored to specific applications.

Applications of M3 Bolts

M3 bolts are used in a wide range of applications due to their small size and versatility. Some common applications include:

  • Electronics: M3 bolts are often used in the assembly of electronic devices, where precise and reliable fastening is crucial.
  • Automotive: These bolts are used in various automotive components, such as dashboards, interior panels, and small mechanical parts.
  • Aerospace: In the aerospace industry, M3 bolts are used in applications where weight and space are critical factors.
  • Model Building: Hobbyists and model builders often use M3 bolts for their small size and ease of use.
  • Furniture: M3 bolts are used in the assembly of small furniture pieces, such as chairs, tables, and cabinets.

The versatility of M3 bolts makes them a popular choice for a wide range of industries and applications.

Choosing the Right M3 Bolt

Selecting the right M3 bolt for your application involves considering several factors, including the material, finish, and specific M3 bolt dimensions. Here are some key considerations:

  • Material: M3 bolts are available in various materials, including stainless steel, brass, and carbon steel. The choice of material depends on the application's requirements, such as corrosion resistance, strength, and durability.
  • Finish: The finish of the bolt can affect its appearance and performance. Common finishes include zinc plating, black oxide, and passivation. The finish should be chosen based on the application's environmental conditions and aesthetic requirements.
  • Length: The length of the bolt is crucial for ensuring proper fastening. The bolt should be long enough to engage the threads of the nut or tapped hole but not so long that it protrudes excessively.
  • Head Type: The type of head on the bolt should be chosen based on the application's requirements. For example, a countersunk head bolt is ideal for applications where a flush surface is necessary.

By considering these factors, you can select the right M3 bolt for your specific application, ensuring reliable and efficient fastening.

🔍 Note: Always refer to the manufacturer's specifications for the exact M3 bolt dimensions and compatibility with your application.

Installation Tips for M3 Bolts

Proper installation of M3 bolts is essential for ensuring reliable fastening. Here are some tips for installing M3 bolts:

  • Prepare the Hole: Ensure the hole is the correct size for the bolt's nominal diameter. The hole should be slightly larger than the bolt's diameter to allow for easy insertion.
  • Use the Correct Tools: Use the appropriate tools for tightening the bolt, such as a wrench, socket, or screwdriver, depending on the head type.
  • Apply the Correct Torque: Over-tightening or under-tightening the bolt can compromise its performance. Use a torque wrench to apply the correct amount of torque based on the manufacturer's specifications.
  • Check for Alignment: Ensure the bolt and nut are properly aligned to prevent cross-threading and ensure a secure fit.

Following these tips will help ensure the proper installation of M3 bolts and reliable fastening for your application.

🛠️ Note: Always follow the manufacturer's guidelines for installation and maintenance to ensure the longevity and performance of the bolts.

Common Mistakes to Avoid with M3 Bolts

When working with M3 bolts, it's important to avoid common mistakes that can compromise their performance. Here are some mistakes to avoid:

  • Incorrect Hole Size: Using a hole that is too small or too large can affect the bolt's performance. Ensure the hole is the correct size for the bolt's nominal diameter.
  • Over-Tightening: Applying too much torque can strip the threads or damage the bolt. Use a torque wrench to apply the correct amount of torque.
  • Cross-Threading: Improper alignment of the bolt and nut can cause cross-threading, which can compromise the bolt's performance. Ensure proper alignment before tightening.
  • Using the Wrong Tools: Using the wrong tools for tightening the bolt can damage the head or strip the threads. Use the appropriate tools for the head type.

By avoiding these common mistakes, you can ensure the reliable performance of M3 bolts in your application.

⚠️ Note: Regularly inspect M3 bolts for signs of wear or damage and replace them as needed to maintain the integrity of your application.

M3 Bolt Dimensions Table

Here is a table summarizing the key M3 bolt dimensions for different head types:

Head Type Nominal Diameter (mm) Thread Pitch (mm) Head Diameter (mm) Length Range (mm)
Hex Head 3 0.5 5.5 6-50
Pan Head 3 0.5 6.5 6-50
Countersunk Head 3 0.5 6.5 6-50
Socket Head Cap Screw 3 0.5 6.5 6-50

This table provides a quick reference for the M3 bolt dimensions of different head types, helping you select the right bolt for your application.

📏 Note: Always verify the dimensions with the manufacturer's specifications to ensure accuracy.

Conclusion

Understanding the M3 bolt dimensions is crucial for selecting the right bolt for your application. From electronics to aerospace, M3 bolts are used in a wide range of industries due to their small size and versatility. By considering factors such as material, finish, length, and head type, you can choose the right M3 bolt for your specific needs. Proper installation and regular maintenance are essential for ensuring the reliable performance of M3 bolts. Avoiding common mistakes and following best practices will help you achieve optimal results with M3 bolts in your applications.

Related Terms:

  • m6 bolt dimensions
  • m5 bolt dimensions
  • m2 bolt dimensions
  • m3 bolt head dimensions
  • m3 bolt head size
  • m3 hex bolt dimensions