Electrical Wiring Diagrams

Electrical Wiring Diagrams

Electrical wiring diagrams are essential tools for anyone involved in electrical work, whether you're a professional electrician or a DIY enthusiast. These diagrams provide a visual representation of the electrical system, showing the connections between various components such as switches, outlets, and circuit breakers. Understanding and interpreting electrical wiring diagrams is crucial for ensuring the safety and efficiency of electrical installations.

Understanding Electrical Wiring Diagrams

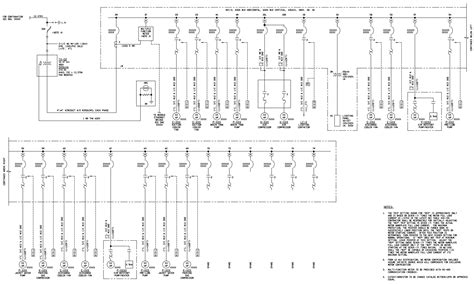
Electrical wiring diagrams are detailed schematics that illustrate the layout of an electrical system. They show the physical connections between different components and the flow of electricity through the system. These diagrams are typically used for planning, troubleshooting, and maintaining electrical systems. There are several types of electrical wiring diagrams, each serving a specific purpose:

  • Single-Line Diagrams: These diagrams show the main components of an electrical system, such as transformers, generators, and motors, without detailing the individual wires.
  • Ladder Diagrams: These are used in industrial settings to represent the control logic of a system, showing the sequence of operations.
  • Wiring Diagrams: These provide a detailed view of the electrical connections, including wires, switches, and outlets.
  • Block Diagrams: These show the major components of a system and their interconnections, often used for high-level planning.

Components of Electrical Wiring Diagrams

Electrical wiring diagrams consist of various symbols and lines that represent different components and connections. Understanding these components is essential for interpreting the diagram accurately. Here are some common components found in electrical wiring diagrams:

  • Wires: Represented by lines, wires show the electrical connections between components.
  • Switches: Symbolized by various shapes, switches control the flow of electricity.
  • Outlets: Represented by a combination of lines and symbols, outlets are where electrical devices are connected.
  • Circuit Breakers: Symbolized by a switch with a line through it, circuit breakers protect the system from overloads.
  • Fuses: Represented by a symbol similar to a switch, fuses protect the system by breaking the circuit if the current exceeds a safe level.
  • Grounds: Symbolized by a ground symbol, grounds provide a safe path for electrical current to flow to the earth.

Reading Electrical Wiring Diagrams

Reading electrical wiring diagrams requires a systematic approach. Here are the steps to follow:

  1. Identify the Components: Start by identifying the symbols and labels for each component in the diagram.
  2. Trace the Connections: Follow the lines to trace the electrical connections between components.
  3. Understand the Flow: Determine the flow of electricity through the system, starting from the power source and ending at the load.
  4. Check for Safety Features: Look for safety features such as circuit breakers and fuses to ensure the system is protected.

🔍 Note: Always refer to the legend or key provided with the diagram to understand the symbols and their meanings.

Creating Electrical Wiring Diagrams

Creating electrical wiring diagrams involves several steps. Here’s a guide to help you create accurate and effective diagrams:

  1. Gather Information: Collect all necessary information about the electrical system, including the components, their locations, and the connections between them.
  2. Choose the Right Tools: Use software tools designed for creating electrical wiring diagrams, such as AutoCAD, Visio, or specialized electrical design software.
  3. Start with a Template: Begin with a template that includes the basic layout of the system. This will save time and ensure consistency.
  4. Add Components: Place the symbols for each component in the correct locations on the diagram.
  5. Draw Connections: Use lines to connect the components, following the actual wiring of the system.
  6. Label Everything: Clearly label each component and connection to make the diagram easy to understand.
  7. Review and Test: Review the diagram for accuracy and test it against the actual system to ensure it is correct.

🛠️ Note: Always double-check your diagram for errors before using it for installation or troubleshooting.

Common Symbols in Electrical Wiring Diagrams

Electrical wiring diagrams use a standardized set of symbols to represent different components. Familiarizing yourself with these symbols is crucial for interpreting diagrams accurately. Here is a table of common symbols:

Symbol Component
Electrical Symbols Switch
Electrical Symbols Outlet
Electrical Symbols Circuit Breaker
Electrical Symbols Fuse
Electrical Symbols Ground

Tips for Effective Electrical Wiring Diagrams

Creating effective electrical wiring diagrams requires attention to detail and a clear understanding of the system. Here are some tips to help you create accurate and useful diagrams:

  • Use Standard Symbols: Always use standardized symbols to ensure clarity and consistency.
  • Keep It Simple: Avoid cluttering the diagram with unnecessary details. Focus on the essential components and connections.
  • Label Clearly: Use clear and concise labels for all components and connections.
  • Include a Legend: Provide a legend or key that explains the symbols and labels used in the diagram.
  • Review and Test: Always review the diagram for accuracy and test it against the actual system.

📝 Note: Regularly update your diagrams to reflect any changes or modifications to the electrical system.

Safety Considerations

Working with electrical wiring diagrams involves handling electrical systems, which can be dangerous if not done correctly. Here are some safety considerations to keep in mind:

  • Turn Off Power: Always turn off the power to the system before working on it.
  • Use Proper Tools: Use insulated tools and wear appropriate personal protective equipment (PPE).
  • Follow Safety Protocols: Adhere to all safety protocols and guidelines when working with electrical systems.
  • Double-Check Connections: Ensure all connections are secure and correctly made.
  • Test Before Use: Test the system thoroughly before putting it back into use.

⚠️ Note: Never work on live electrical systems unless you are a qualified professional and have the necessary safety equipment.

Electrical wiring diagrams are invaluable tools for anyone working with electrical systems. They provide a clear and detailed representation of the system, making it easier to plan, troubleshoot, and maintain electrical installations. By understanding the components, symbols, and best practices for creating and interpreting electrical wiring diagrams, you can ensure the safety and efficiency of your electrical work.

Related Terms:

  • schematic diagram of electrical wiring
  • automotive electrical wiring diagrams
  • electrical wiring diagram for home
  • reading electrical wiring diagrams
  • electrical wiring diagrams residential
  • electrical wiring diagrams for dummies