480V 3 Phase

480V 3 Phase

Understanding the intricacies of electrical systems, particularly those involving 480V 3 Phase power, is crucial for engineers, electricians, and anyone involved in industrial or commercial electrical work. This type of power supply is widely used in various applications due to its efficiency and reliability. This post will delve into the fundamentals of 480V 3 Phase systems, their components, applications, and safety considerations.

Understanding 480V 3 Phase Power

480V 3 Phase power is a type of electrical power supply that uses three alternating currents, each offset by 120 degrees. This configuration allows for more efficient power transmission and distribution compared to single-phase systems. The voltage level of 480 volts is commonly used in industrial settings because it provides a good balance between power delivery and safety.

In a 480V 3 Phase system, the three phases are typically labeled as L1, L2, and L3. The neutral point, often labeled as N, is the common reference point for the three phases. The voltage between any two phases (line-to-line voltage) is 480 volts, while the voltage between a phase and the neutral (line-to-neutral voltage) is 277 volts.

Components of a 480V 3 Phase System

A 480V 3 Phase system consists of several key components, each playing a crucial role in the overall functionality and safety of the system. These components include:

  • Transformers: These devices step down the voltage from higher levels to 480 volts. They are essential for distributing power efficiently.
  • Circuit Breakers: These safety devices protect the system from overloads and short circuits by automatically disconnecting the power supply when necessary.
  • Conductors: These are the wires that carry the electrical current from the source to the load. They are typically made of copper or aluminum.
  • Switchgear: This includes switches, fuses, and other control equipment used to manage the flow of electricity in the system.
  • Motors and Machinery: Many industrial machines and motors are designed to operate on 480V 3 Phase power due to its efficiency and reliability.

Applications of 480V 3 Phase Power

480V 3 Phase power is used in a wide range of applications, particularly in industrial and commercial settings. Some of the most common applications include:

  • Industrial Machinery: Many manufacturing processes require powerful motors and machinery that operate on 480V 3 Phase power.
  • Commercial Buildings: Large buildings, such as office complexes and shopping malls, often use 480V 3 Phase power for lighting, HVAC systems, and other electrical needs.
  • Data Centers: These facilities require a stable and reliable power supply, making 480V 3 Phase an ideal choice.
  • Renewable Energy Systems: Wind turbines and solar farms often use 480V 3 Phase power for efficient energy distribution.

Safety Considerations for 480V 3 Phase Systems

Working with 480V 3 Phase power involves significant risks, and it is essential to follow safety protocols to prevent accidents and injuries. Some key safety considerations include:

  • Proper Training: Only trained and certified professionals should work on 480V 3 Phase systems. Proper training ensures that individuals understand the risks and know how to handle the equipment safely.
  • Personal Protective Equipment (PPE): Workers should use appropriate PPE, including insulated gloves, safety glasses, and protective clothing, to minimize the risk of electrical shock.
  • Lockout/Tagout Procedures: These procedures ensure that equipment is properly shut down and isolated before any maintenance or repair work is performed. This prevents accidental startup and potential injuries.
  • Regular Inspections: Regular inspections of the electrical system can help identify potential issues before they become serious problems. This includes checking for loose connections, damaged insulation, and other signs of wear and tear.

It is also important to follow local electrical codes and regulations, which provide guidelines for the safe installation and maintenance of 480V 3 Phase systems.

🔧 Note: Always ensure that the power is completely shut off and locked out before performing any work on a 480V 3 Phase system.

Calculating Power in a 480V 3 Phase System

Understanding how to calculate power in a 480V 3 Phase system is essential for designing and maintaining electrical systems. The power in a three-phase system can be calculated using the following formula:

P = √3 * V * I * PF

Where:

  • P is the power in watts (W)
  • V is the line-to-line voltage (480 volts)
  • I is the current in amperes (A)
  • PF is the power factor (a dimensionless number between 0 and 1)

For example, if the current is 50 amperes and the power factor is 0.8, the power can be calculated as follows:

P = √3 * 480 * 50 * 0.8 = 34,240 watts

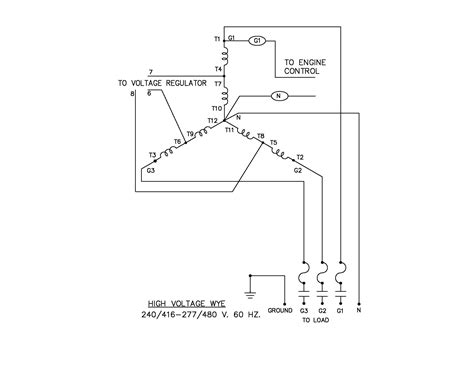
Wiring a 480V 3 Phase System

Wiring a 480V 3 Phase system requires careful planning and execution to ensure safety and efficiency. The wiring diagram for a typical 480V 3 Phase system is shown below:

Phase Color Code Voltage (Line-to-Line) Voltage (Line-to-Neutral)
L1 Black 480V 277V
L2 Red 480V 277V
L3 Blue 480V 277V
N White N/A 277V

When wiring a 480V 3 Phase system, it is important to follow these steps:

  • Ensure that all connections are secure and properly insulated.
  • Use the correct wire gauge for the current being carried.
  • Follow local electrical codes and regulations.
  • Use appropriate grounding techniques to protect against electrical shocks.

🔧 Note: Always double-check all connections and use appropriate safety measures when working with 480V 3 Phase power.

Maintenance of 480V 3 Phase Systems

Maintaining a 480V 3 Phase system is crucial for ensuring its longevity and reliability. Regular maintenance can help prevent failures and ensure that the system operates efficiently. Some key maintenance tasks include:

  • Inspecting Connections: Regularly check all electrical connections for signs of wear, corrosion, or looseness.
  • Testing Circuit Breakers: Ensure that circuit breakers are functioning properly and replace any that are faulty.
  • Cleaning Equipment: Keep electrical equipment clean and free of dust and debris to prevent overheating and other issues.
  • Checking Insulation: Inspect the insulation on wires and cables for any signs of damage or degradation.

Regular maintenance should be performed by trained professionals who understand the complexities of 480V 3 Phase systems. This ensures that the system remains safe and reliable over time.

🔧 Note: Keep a log of all maintenance activities and inspections to track the system's performance and identify any recurring issues.

In conclusion, 480V 3 Phase power systems are essential for many industrial and commercial applications due to their efficiency and reliability. Understanding the components, applications, safety considerations, and maintenance requirements of these systems is crucial for anyone working in the electrical field. By following best practices and adhering to safety protocols, professionals can ensure that 480V 3 Phase systems operate safely and efficiently, providing the power needed for various applications.

Related Terms:

  • 480v 3 phase electrical systems
  • 480 3 phase wiring diagram
  • 480v three phase power system
  • is 480v always 3 phase
  • 480v three phase power supply
  • 480v 3 phase power diagram